Energy News  
Cassini Radar Images Show Dramatic Shoreline On Titan

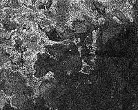
Radar image of Titan showing that the boundary of the bright (rough) region and the dark (smooth) region appears to be a shoreline. See larger image. Image credit: NASA/JPL.

Pasadena CA (JPL) Sep 19, 2005
Images returned during Cassini's recent flyby of Titan show captivating evidence of what appears to be a large shoreline cutting across the smoggy moon's southern hemisphere. Hints that this area was once wet, or currently has liquid present, are evident.

"We've been looking for evidence of oceans or seas on Titan for some time. This radar data is among the most telling evidence so far for a shoreline," said Steve Wall, radar deputy team leader from NASA's Jet Propulsion.

The images show what looks like a shoreline dividing a distinct bright and dark region roughly 1,700 kilometers long by 170 kilometers wide (1,060 by 106 miles). Directly to the right of a bright and possibly rough area is one that is very dark and smooth.

"This is the area where liquid or a wet surface has most likely been present, now or in the recent past, said Wall. "Titan probably has episodic periods of rainfall or massive seepages of liquid from the ground."

The brightness patterns in the dark area indicate that it may once have been flooded with liquid that may now have partially receded. Bay-like features also lead scientists to speculate that the bright-dark boundary is most likely a shoreline.

"We also see a network of channels that run across the bright terrain, indicating that fluids, probably liquid hydrocarbons, have flowed across this region," said Dr. Ellen Stofan, Cassini associate radar team member from Proxemy Research, Laytonsville, Md.

Taken together with the two other radar passes in October 2004 and February 2005, these very high resolution images have identified at least two distinct types of drainage and channel formation on Titan.

Some channels in images from this pass are long and deep, with angular patterns and few tributaries, suggesting that fluids flow over great distances. By contrast, others show channels that form a denser network that might indicate rainfall.

Dr. Larry Soderblom with the U.S. Geological Survey in Flagstaff, Ariz., said, "It looks as though fluid flowed in these channels, cutting deeply into the icy crust of Titan. Some of the channels extend over 100 kilometers (60 miles). Some of them may have been fed by springs, while others are more complicated networks that were likely filled by rainfall."

Titan has an environment somewhat similar to that of Earth before biological activity forever altered the composition of Earth's atmosphere. The major difference on Titan, however, is the absence of liquid water, and Titan's very low temperature. With a thick, nitrogen-rich atmosphere, Titan was until recently presumed to hold large seas or oceans of liquid methane. Cassini has been in orbit around Saturn for a year and has found no evidence for these large seas.

Cassini encountered an anomaly with one of two solid-state recorders during the Sept. 7 close flyby, resulting in some data not being recorded. Half of the data from the flyby was received, much to the delight of anxious scientists. The spacecraft team is troubleshooting the cause, and early indications point to a software problem that would be correctable with no long-term impacts.

This was Cassini's eighth out of 45 Titan flybys planned in the nominal four-year tour. The next radar pass will be Oct. 26 when the team will focus on the Huygens probe landing site close to the equator.

Community
Email This Article
Comment On This Article

Related Links
SpaceDaily
Search SpaceDaily
Subscribe To SpaceDaily Express
Explore The Ring World of Saturn and her moons
Jupiter and its Moons
The million outer planets of a star called Sol
News Flash at Mercury



Memory Foam Mattress Review
Newsletters :: SpaceDaily :: SpaceWar :: TerraDaily :: Energy Daily
XML Feeds :: Space News :: Earth News :: War News :: Solar Energy News


Titan: Greenhouse And Anti-Greenhouse
Moffett Field CA (SPX) Nov 04, 2005
Like Earth, Titan has a greenhouse effect. So does Venus, a whopping one, and so does Mars. Venus is the queen of the greenhouse effect. Ninety-nine point nine percent of the energy reaching the surface of Venus is retained by the greenhouse effect. Titan, though, comes in a close second.







  • Oil Prices Surge On Storm Rita, Before OPEC Decision
  • ORNL, Princeton Partners In Five-Year Fusion Project
  • Oil Prices Drop After OPEC Lowers Demand For Crude
  • Helping Out A High-Temperature Superconductor

  • Scorpene Deal Will Ensure Nuke Supply
  • Russia To Build Nuke Waste Facility
  • Death, Environmental Toll From Chernobyl Less Than Feared: Report
  • China Won't Sign On To PSI

  • Getting To The TOPP Of Houston's Air Pollution
  • Scientists Seek Sprite Light Source



  • Analysis: N.Korea No Longer Wants Food Aid?
  • Novel Compounds Show Promise As Safer, More Potent Insecticides
  • Agriculture Reviving In Aceh After Tsunami: Scientists
  • Analysis: EU Farm Aid Under Spotlight

  • German Car Makers Scramble To Jump On Hybrid Engine Bandwagon
  • Could Katrina Kill The SUV?
  • SUV Drivers Beware: Paris Can Be A Deflating Experience
  • Mitsubishi, TEPCO To Team Up On Electric Car: Report

  • Chinese Airline Signs Deal To Buy Eight Boeing 787 Aircraft
  • Moseley: Future Of The Air Force
  • Global Tanker Team To Deliver Boeing Advanced Aerial-Refueling Tanker
  • Sizing Up The Future Of Air Travel

  • NASA plans to send new robot to Jupiter
  • Los Alamos Hopes To Lead New Era Of Nuclear Space Tranportion With Jovian Mission
  • Boeing Selects Leader for Nuclear Space Systems Program
  • Boeing-Led Team to Study Nuclear-Powered Space Systems

  • The content herein, unless otherwise known to be public domain, are Copyright 1995-2006 - SpaceDaily.AFP and UPI Wire Stories are copyright Agence France-Presse and United Press International. ESA PortalReports are copyright European Space Agency. All NASA sourced material is public domain. Additionalcopyrights may apply in whole or part to other bona fide parties. Advertising does not imply endorsement,agreement or approval of any opinions, statements or information provided by SpaceDaily on any Web page published or hosted by SpaceDaily. Privacy Statement